2004 hummer h2 blend door actuator.
Hummer h2 blend door actuator reset.
Bleeding brake system 2007 h2 hummer replaced all brake lines.
Air door actuator hvac blend control actuator heater blend door for 1999 2013 silverado gmc sierra 1500 2500 2003 2009 hummer h2 2000 2014 gmc yukon chevy tahoe suburban cadillac escalade 2 0 out of 5 stars 1.
Blend door actuator moves blend door to the hot position no matter where temp control is set.
Your hummer h2 will be happy to know that the search for the right air blend door actuator products you ve been looking for is over.
Improper hvac temperature and or air delivery due to failed mode door actuator on hummer h2.
I have replaced actuator with new.
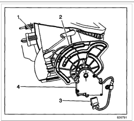
H2 hummer actuator located.
I have 2005 hummer h2 when i turn ac the blend door won t open to the dash ducts all the time it dose not mater what answered by a verified chevy mechanic.
Problems hummer hummer h2.
South fl mud club 290 653 views.
Blend door actuator hot air out front drivers side vents 05 escalade silverado yukon tahoe sierra duration.
Online blogs suggest easy relatively inexpensive fix by replacement of mode door actuator.
However hummer dealer indicated 1000 repair charge for service requiring removal of entire dashboard.
Advance auto parts has 15 different air blend door actuator for your vehicle ready for shipping or in store pick up.